При выполнении заданий с кратким ответом впишите в поле для ответа цифру, которая соответствует номеру правильного ответа, или число, слово, последовательность букв (слов) или цифр. Ответ следует записывать без пробелов и каких-либо дополнительных символов. Дробную часть отделяйте от целой десятичной запятой. Единицы измерений писать не нужно.
Если вариант задан учителем, вы можете вписать или загрузить в систему ответы к заданиям с развернутым ответом. Учитель увидит результаты выполнения заданий с кратким ответом и сможет оценить загруженные ответы к заданиям с развернутым ответом. Выставленные учителем баллы отобразятся в вашей статистике.
Версия для печати и копирования в MS Word
Тело движется вдоль оси OX. На рисунке представлен график зависимости координаты x этого тела от времени t. Движению с наибольшей по модулю скоростью соответствует участок графика
1) AB
2) BC
3) CD
4) DE
Ответ:
Школьник решил провести эксперименты с двумя разными пронумерованными пружинами — № 1 и № 2. К свободно висящей пружине № 1 длиной 10 см школьник подвесил гирьку массой 100 г, в результате чего пружина растянулась до длины 15 см. К пружине №2, имеющей в нерастянутом состоянии длину 15 см, школьник подвесил гирьку массой 200 г, в результате чего эта пружина растянулась до длины 20 см. Сравните жесткости пружин k1 и k2.
1) k1 = k2
2) k1 > k2
3) k1 < k2
4) Жесткости пружин нельзя сравнить, так как они в нерастянутом состоянии имеют различные длины.
Ответ:
Тело движется равномерно и прямолинейно, при этом модуль импульса тела равен 4 кг·м/c. На тело в направлении, противоположном направлению его движения, начинает действовать постоянная сила, модуль которой равен 1 Н. Через 2 секунды действия этой силы модуль импульса тела будет равен
| 1) 4 кг·м/c | 2) 2 кг·м/c | 3) 6 кг·м/c | 4) 8 кг·м/c |
Ответ:
Обруч радиусом 20 см равномерно вращается вокруг оси, проходящей через его центр перпендикулярно плоскости обруча. Известно, что модуль скорости точек обруча равен 0,4 м/с. Модуль центростремительного ускорения точек обруча равен
| 1) 0,2 м/c2 | 2) 0,4 м/c2 | 3) 0,8 м/c2 | 4) 20 м/c2 |
Ответ:
Сосновый брусок в форме прямоугольного параллелепипеда, имеющего размеры a = 30 см, b = 40 см и c = 30 см, начинают осторожно опускать в ванну с водой (как показано на рисунке). Глубина погружения бруска в воду при плавании будет равна
1) 6 см
2) 12 см
3) 16 см
4) 30 см
Ответ:
Маленький брусок, скользящий по гладкой горизонтальной поверхности со скоростью 1 м/с, въезжает на шероховатый участок и проходит по нему до остановки путь 20 см. Коэффициент трения бруска о шероховатую поверхность равен
1) 0,05
2) 0,25
3) 0,5
4) 2
Ответ:
В стеклянную бутылку налили горячую воду. Через несколько минут эту воду вылили, а на горлышко бутылки натянули пустой воздушный шарик, после чего поместили бутылку под струю холодной воды. Шарик втянулся внутрь бутылки (см. рис.). Почему это произошло?
1) При охлаждении бутылки холодной водой над ней повысилось атмосферное давление.
2) Оболочка шарика охладилась от бутылки посредством теплопроводности и сжалась.
3) Теплый воздух, который вначале был в бутылке, при охлаждении сжался, его давление упало, и наружное атмосферное давление протолкнуло воздушный шарик в бутылку.
4) При охлаждении нагретых стенок бутылки они электризуются и притягивают к себе воздушный шарик.
Ответ:
Ведущий телепрограммы, рассказывающий о погоде, сообщил, что в настоящее время относительная влажность воздуха составляет 25%. Это означает, что
1) Концентрация водяных паров, содержащихся в воздухе, в 4 раза меньше максимально возможной при данной температуре.
2) Концентрация водяных паров, содержащихся в воздухе, в 4 раза больше максимально возможной при данной температуре.
3) 25% объема воздуха занимает водяной пар.
4) Число молекул воды в 3 раза меньше числа молекул других газов, содержащихся в воздухе.
Ответ:
Два однородных кубика привели в тепловой контакт друг с другом (см. рис.). Первый кубик изготовлен из меди, длина его ребра 3 см, а начальная температура t1 = 2 °C. Второй кубик изготовлен из алюминия, длина его ребра 4 см, а начальная температура t2 = 74 °C. Пренебрегая теплообменом кубиков с окружающей средой, найдите температуру кубиков после установления теплового равновесия.
1) ≈ 12 °C
2) ≈ 47 °C
3) ≈ 60 °C
4) ≈ 71 °C
Примечание.
Плотности алюминия и меди соответственно:
Удельные теплоемкости алюминия и меди соответственно:
Ответ:
На штативе при помощи шелковой нити подвешена сделанная из фольги незаряженная гильза. К ней медленно приближают отрицательно заряженный шар на изолирующей подставке. При достаточно близком положении шара гильза займет положение, показанное на рисунке
1) 1
2) 2
3) 3
4) 4
Ответ:
На рисунке приведена схема электрической цепи. В начале эксперимента ключ К разомкнут. Учитывая, что R1 = R2 = R, цепь подключена к источнику постоянного напряжения, а сила тока, протекающего через резистор R1, равна I, определите, какая сила тока будет протекать через резистор R2 после замыкания ключа K.
1) I/2
2) I
3) 2I
4) 3I/2
Ответ:
В магнитное поле, линии индукции которого показаны на рисунке, помещены небольшие магнитные стрелки с номерами 1, 2, 3 и 4, которые могут свободно вращаться. Северный полюс стрелки на рисунке темный, южный — светлый. В устойчивом положении находится стрелка с номером
1) 1
2) 2
3) 3
4) 4
Ответ:
Котенок бежит к плоскому зеркалу З со скоростью V = 0,3 м/с. Само зеркало движется в сторону от котенка со скоростью u = 0,05 м/с (см. рис.). С какой скоростью котенок приближается к своему изображению в зеркале?
1) 0,2 м/с
2) 0,25 м/с
3) 0,5 м/с
4) 0,55 м/с
Ответ:
На рисунке показана схема электрической цепи, где R1 = 2 Ом, R2 = 2 Ом, R3 = 3 Ом.
В цепи выделяется мощность P1. После размыкания ключа мощность P2, выделяемая в электрической цепи, станет
1) P2 = P1
2) P2 = 0,5P1
3) P2 = 0,8P1
4) P2 = 1,5P1
Ответ:
Согласно современным представлениям, атом состоит из
1) атомного ядра, содержащего электроны и нейтроны, и вращающихся вокруг этого ядра протонов
2) атомного ядра, содержащего электроны и протоны, и вращающихся вокруг этого ядра нейтронов
3) атомного ядра, содержащего протоны, и вращающихся вокруг этого ядра электронов и нейтронов
4) атомного ядра, содержащего протоны и нейтроны, и вращающихся вокруг этого ядра электронов
Ответ:
Цена деления и предел измерения динамометра (см. рис.) равны соответственно
1) 1 Н и 4 Н
2) 0,2 Н и 5 Н
3) 1 Н и 1 Н
4) 0,1 Н и 1 Н
Ответ:
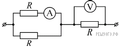
На рисунке изображена схема участка электрической цепи, содержащего три одинаковых резистора сопротивлением 2 Ом каждый, амперметр и вольтметр. К участку цепи
приложено постоянное напряжение 6 В. Определите значения следующих величин в СИ: общее сопротивление участка цепи; показание амперметра; показание вольтметра. К каждому элементу первого столбца подберите соответствующий элемент из второго и внесите в строку ответов выбранные цифры под соответствующими буквами.
А) общее сопротивление участка цепи
Б) показание вольтметра
В) показание амперметра
ВЕЛИЧИНЫ В СИ
1) 1
2) 2
3) 3
4) 4
5) 1,5
Ответ:
Два одинаковых маленьких шарика движутся по гладкой горизонтальной поверхности навстречу друг другу со скоростями и
Определите, как изменятся в результате лобового абсолютно неупругого соударения этих шариков следующие физические величины: кинетическая энергия второго шарика; модуль импульса первого шарика; суммарный импульс обоих шариков.
Для каждой величины определите соответствующий характер изменения:
1) увеличится;
2) уменьшится;
3) не изменится.
Запишите в таблицу выбранные цифры для каждой физической величины под соответствующими буквами. Цифры в ответе могут повторяться.
А) кинетическая энергия второго шарика
Б) модуль импульса первого шарика
В) суммарный импульс обоих шариков
1) увеличится
2) уменьшится
3) не изменится
Ответ:
Печь, используемая для нагревания вещества, имеет три режима работы: максимальной, средней и минимальной мощности. В этой печи начинают нагревать 180 граммов стали, находящегося в твердом состоянии. После начала нагревания печь все время остается включенной. На рисунке представлен график зависимости изменения температуры t олова от времени τ.
Выберите из предложенного перечня два верных утверждения. Укажите их номера.
1) Плавление стали происходило при температуре t4.
2) Работе печи с максимальной мощностью за первые 9 минут соответствует участок AB.
3) Из первых трех участков графика режиму минимальной мощности печи соответствует участок CD.
4) Участок графика CD соответствует жидкому состоянию стали.
5) На участке DF мощность печи равна 35,4 Вт.
Ответ:
На горизонтальной шероховатой поверхности стола лежит брусок массой 500 г. К бруску прикрепляют динамометр и, прикладывая к нему некоторую силу, направленную вдоль поверхности стола, начинают перемещать брусок с постоянной скоростью 0,5 м/с.
Используя рисунок и приведенные данные, из предложенного перечня утверждений выберите два правильных. Укажите их номера.
1) Модуль силы трения, действующей между поверхностями бруска и стола, при скольжении бруска меньше, чем 2 Н.
2) Если, прикладывая к динамометру силу, перемещать этот брусок с ускорением 1 м/с2, то показание динамометра будет равно 1,5 Н.
3) Если показание динамометра увеличится в 2 раза, то и сила трения между бруском и поверхностью стола увеличится в 2 раза.
4) Если заменить брусок на другой, из того же материала, но вдвое большей массы, и приложить к динамометру такую силу, что его показание останется прежним, то скорость перемещения бруска по поверхности стола будет равна нулю.
5) При увеличении модуля силы, прикладываемой к динамометру, от значения 0 Н до значения 1 Н, модуль силы трения, возникающей между бруском и поверхностью стола, увеличивается.
Ответ:
В стакан с водой погрузили концы двух вертикальных стеклянных трубок — с внутренними диаметрами 0,5 мм и 0,2 мм. Стекло перед этим было тщательно обезжирено. Можно утверждать, что
1) уровень воды окажется ниже в трубке диаметром 0,5 мм
2) уровень воды окажется ниже в трубке диаметром 0,2 мм
3) вода поднимется в обеих трубках на одинаковую высоту
4) уровень воды в обеих трубках будет ниже уровня воды в стакане
Ответ:
При погружении конца тонкого металлического капилляра в сосуд с жидкостью ее уровень в капилляре оказывается ниже, чем в сосуде. Из этого следует, что
1) данная жидкость хорошо смачивает металл, из которого изготовлен капилляр
2) данная жидкость полностью смачивает металл, из которого изготовлен капилляр
3) данная жидкость плохо смачивает металл, из которого изготовлен капилляр
4) плотность жидкости больше, чем плотность металла, из которого изготовлен капилляр
Ответ:
При проведении опыта Плато ученик наблюдал большую сферическую каплю анилина, которая плавала в сосуде с раствором соли с соответствующим образом подобранной концентрацией. Ученик досыпал на дно сосуда еще чуть-чуть соли. При медленном растворении соли плотность раствора в разных частях сосуда стала разной — в нижней части немного бóльшей, чем в верхней. Как изменится форма капли? Ответ поясните.
На следующей странице вам будет предложено проверить их самостоятельно.
(по материалам Е. Е. Камзеевой)
Используя штатив с муфтой и лапкой, шарик с прикрепленной к нему нитью, линейку и часы с секундной стрелкой (или секундомер), соберите экспериментальную установку для исследования зависимости частоты свободных колебаний нитяного маятника от длины нити. Амплитуда колебаний маятника должна быть малой (не более 10–15°). Определите время для 30 полных колебаний и вычислите частоту колебаний для трех случаев, когда длина нити равна, соответственно, 1 м, 0,5 м и 0,25 м. В ответе:
1. сделайте рисунок экспериментальной установки;
2. укажите результаты прямых измерений числа колебаний и времени колебаний для трех длин нити маятника в виде таблицы;
3. вычислите частоту колебаний для каждого случая и результаты занесите в таблицу;
4. сформулируйте вывод о зависимости частоты свободных колебаний нитяного маятника от длины нити.
Характеристика оборудования
При выполнении задания используется комплект оборудования № 7
в составе:
• штатив с муфтой и лапкой;
• метровая линейка (погрешность 5 мм);
• шарик с прикрепленной к нему нитью длиной 110 см;
• часы с секундной стрелкой (или секундомер).
На следующей странице вам будет предложено проверить их самостоятельно.
Из вершины проволочного квадратного контура со стороной 6 м выползает маленький жук, равномерно перемещаясь по проволоке со скоростью 6 см/мин. Можно ли по истечении получаса считать траекторию движения жука прямолинейной? Ответ поясните.
На следующей странице вам будет предложено проверить их самостоятельно.
Однородный горизонтальный брус опирается левым концом A на подставку. Для того, чтобы брус находился в равновесии, к его правому концу B нужно приложить вертикально направленную силу F = 800 Н. Чему равна масса M бруса?
На следующей странице вам будет предложено проверить их самостоятельно.
Три резистора имеют одинаковые сопротивления. Минимальное сопротивление участка цепи, который включает все эти три резистора, Rmin = 4 Ом. Какое количество теплоты выделится в одном таком резисторе за 10 минут при протекании через него тока силой 3 А? Сопротивлением источника и соединительных проводов можно пренебречь.
На следующей странице вам будет предложено проверить их самостоятельно.

