При выполнении заданий с кратким ответом впишите в поле для ответа цифру, которая соответствует номеру правильного ответа, или число, слово, последовательность букв (слов) или цифр. Ответ следует записывать без пробелов и каких-либо дополнительных символов. Дробную часть отделяйте от целой десятичной запятой. Единицы измерений писать не нужно.
Если вариант задан учителем, вы можете вписать или загрузить в систему ответы к заданиям с развернутым ответом. Учитель увидит результаты выполнения заданий с кратким ответом и сможет оценить загруженные ответы к заданиям с развернутым ответом. Выставленные учителем баллы отобразятся в вашей статистике.
Версия для печати и копирования в MS Word
Маленькой шайбе, находящейся у основания гладкой наклонной плоскости, сообщают начальную скорость, направленную вверх вдоль этой плоскости. На каком графике правильно показана зависимость модуля скорости υ шайбы от времени t в процессе ее движения?
1) 1
2) 2
3) 3
4) 4
Ответ:
Человек массой 70 кг стоит на напольных пружинных весах в лифте. Лифт начинает двигаться с ускорением 0,5 м/с2, направленным вниз. В этот момент весы покажут массу
1) 70 кг
2) больше 70 кг
3) меньше 70 кг
4) 0
Ответ:
Тело движется в положительном направлении оси ОX. В таблице представлена зависимость проекции действующей на тело силы Fx от времени t.
| t, с | 0 | 1 | 2 | 3 | 4 | 5 | 6 | 7 | 8 | 9 |
| Fx, Н | 2 | 2 | 2 | 2 | 1 | 1 | 1 | 1 | 1 | 1 |
В интервале времени от 0 c до 3 с проекция импульса тела на ось OX
1) не изменяется
2) увеличивается на 6 кг·м/c
3) увеличивается на 2 кг·м/c
4) уменьшается на 1 кг·м/c
Ответ:
Два тела, расположенные высоко над землей на одной вертикали на расстоянии 1 м друг от друга, одновременно подбросили вверх с одинаковой начальной скоростью (см. рис.).
Как будет меняться расстояние между телами во время их падения? Считать, что ни одно тело еще не упало на землю. Сопротивление воздуха пренебрежимо мало.
1) расстояние между телами сначала будет уменьшаться, а затем будет увеличиваться
2) расстояние между телами будет уменьшаться
3) расстояние между телами не будет изменяться
4) расстояние между телами будет увеличиваться
Ответ:
Три сплошных металлических шарика одинакового объема — 1, 2 и 3 — поместили в сосуд со ртутью, в котором они расположились так, как показано на рисунке. Известно, что один из шариков сделан из меди, второй — из серебра, а третий — из золота. Из какого материала сделан каждый шарик? Плотность серебра 10 500 кг/м3, плотность золота — 19 300 кг/м3.
1) 1 — серебро, 2 — золото, 3 — медь
2) 1 — медь, 2 — золото, 3 — серебро
3) 1 — золото, 2 — серебро, 3 — медь
4) 1 — медь, 2 — серебро, 3 — золото
Ответ:
Через неподвижный легкий блок перекинута невесомая нерастяжимая нить, к концам которой подвешены два груза. Масса одного груза m1 = 1 кг. Найдите массу m2 другого груза, если известно,
что сила натяжения нити 12 Н. Трением можно пренебречь.
1) 0,5 кг
2) 1 кг
3) 1,5 кг
4) 3 кг
Ответ:
Из холодильника вынули закрытую крышкой кастрюлю с водой, имеющую температуру +5 °C. Чтобы подогреть воду, кастрюлю с водой можно:
А. поставить на газовую горелку;
Б. освещать сверху мощной электрической лампой.
В каких из вышеперечисленных случаев вода в кастрюле нагревается в основном путем излучения?
1) только А
2) только Б
3) и А, и Б
4) ни А, ни Б
Ответ:
На рисунке представлены графики 1, 2 и 3 зависимостей температуры t трех алюминиевых образцов от количества сообщенной им теплоты Q. Известно, что массы образцов равны 10 г, 20 г, 30 г, соответственно. Укажите, какая масса образца соответствует каждому графику.
1) 1 — 10 г 2 — 20 г 3 — 30 г
2) 1 — 30 г 2 — 20 г 3 — 10 г
3) 1 — 20 г 2 — 30 г 3 — 10 г
4) 1 — 10 г 2 — 30 г 3 — 20 г
Ответ:
Сколько граммов воды можно нагреть на спиртовке на 30 °C, если сжечь в ней 21 грамм спирта? КПД спиртовки (с учетом потерь теплоты) равен 30%. (Удельная теплота сгорания спирта 2,9·107Дж/кг, удельная теплоемкость воды 4200 Дж/(кг·°С)).
1) 65 г
2) 990 г
3) 1450 г
4) 16,1 г
Ответ:
Заряженную отрицательным зарядом палочку подносят к незаряженному электрометру. Когда палочка находится вблизи шарика электрометра, но не касается его, наблюдают отклонение стрелки электрометра. Укажите номер рисунка, на котором правильно указано распределение заряда в электрометре.
1) 1
2) 2
3) 3
4) 4
Ответ:
На рисунке приведены схемы трех электрических цепей. В каких из них лампочка горит? Электрические ключи везде разомкнуты.
1) только А
2) только Б
3) только В
4) Б и В
Ответ:
Вблизи сплошного алюминиевого кольца, подвешенного на шелковой нити, находится полосовой магнит (см. рис.). Магнит начинают удалять от кольца с постоянной скоростью. Что будет происходить с кольцом в это время?
1) кольцо останется в покое
2) кольцо будет притягиваться к магниту
3) кольцо будет отталкиваться от магнита
4) кольцо начнет поворачиваться вокруг нити
Ответ:
На рисунке показаны рассеивающая линза, ее главная оптическая ось О1О2, ход луча АА1А2 (до и после линзы), а также прямая СС1, проходящая через оптический центр линзы. В какой из обозначенных на рисунке точек находится фокус линзы?
1) в точке 0
2) в точке 1
3) в точке 2
4) ни в одной из указанных точек
Ответ:
Какая мощность выделяется в резисторе R2 в цепи, схема которой приведена на рисунке, если амперметр показывает силу тока 0,1 А, а вольтметр — напряжение 14 В. Известно, что цепь подключена к источнику постоянного напряжения U = 24 В. Измерительные приборы считать идеальными.
1) 0,1 Вт
2) 1 Вт
3) 1,4 Вт
4) 2,4 Вт
Ответ:
Э. Резерфорд, облучая ядра азота , получил ядра кислорода
. В ходе этой ядерной реакции, помимо ядра кислорода, образовывался протон. Какими частицами облучал Э. Резерфорд ядра азота?
1) нейтронами
2) протонами
3) электронами
4) альфа-частицами
Ответ:
Школьник сделал легкую, но прочную картонную вертушку, поставил на включенную электрическую плитку сосуд с водой. К сосуду была приделана крышка с отверстием, над которым и была установлена эта вертушка. После закипания воды в сосуде школьник увидел, что вертушка начала вращаться. Данное действие школьника является
1) наблюдением
2) измерением
3) наблюдением и моделированием
4) наблюдением и измерением
Ответ:
Какие механические волны могут распространяться в жидкостях?
1) только продольные
2) только поперечные
3) и продольные, и поперечные
4) никакие
Ответ:
Два звука представляют собой механические волны, имеющие одинаковые частоты, но разные амплитуды. Эти звуки обязательно имеют одинаковую
1) интенсивность
2) громкость
3) высоту тона
4) интенсивность и высоту тона
Ответ:
Точечное тело массой 2 кг движется по инерции вдоль оси OX по гладкой горизонтальной поверхности со скоростью 10 м/с. В некоторый момент времени на тело начинает действовать постоянная сила, модуль которой равен 10 Н, а ее направление противоположно направлению скорости тела в этот момент. Определите значения соответствующих величин в СИ, характеризующих движение этого тела.
К каждому элементу первого столбца подберите соответствующий элемент из второго и внесите в строку ответов выбранные цифры под соответствующими буквами.
А) путь, пройденный телом за первые 4 секунды движения тела с момента начала действия силы
Б) импульс тела через 2 секунды после начала действия силы
В) изменение кинетической энергии тела за 2 первые секунды действия силы
ВЕЛИЧИНЫ В СИ
1) 0
2) –20
3) 20
4) 100
5) –100
Запишите в ответ цифры, расположив их в порядке, соответствующем буквам:
| А | Б | В |
Ответ:
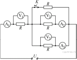
Электрическая цепь состоит из источника постоянного напряжения, четырех резисторов, сопротивлением R каждый, ключа K , вольтметров V1, V2, V3 и амперметров A1, A2, A3 (см. рис.).
Определите, как изменятся следующие физические величины: показание вольтметра V3; показание амперметра A2; показание вольтметра V1, если разомкнуть ключ K.
Для каждой величины определите соответствующий характер изменения: Запишите в таблицу выбранные цифры для каждой физической величины под соответствующими буквами. Цифры в ответе могут повторяться.
1) увеличится
2) уменьшится
3) не изменится
А) показание вольтметра V3
Б) показание амперметра A2
В) показание вольтметра V1
1) увеличится
2) уменьшится
3) не изменится
| A | Б | В |
Ответ:
В калориметре находится 0,5 кг льда при температуре –20 °C. Затем в калориметр наливают 5 кг воды, температура которой равна +10 °C. Теплообменом с окружающей средой можно пренебречь.
Выберите из предложенного перечня два верных утверждения. Укажите их номера.
1) В состоянии теплового равновесия все вещество в калориметре будет находиться в жидком состоянии.
2) При достижении теплового равновесия температура льда увеличится на 10 °C.
3) В состоянии теплового равновесия все вещество в калориметре будет находиться в твердом состоянии.
4) При достижении теплового равновесия в калориметре будет смесь воды со льдом.
5) В состоянии теплового равновесия температуры изначально твердого и изначально жидкого веществ сравняются.
Ответ:
С помощью тонкой собирающей линзы ученик хочет получить изображение предмета AB, расположив его относительно линзы так, как показано на рисунке.
Из предложенного перечня утверждений выберите два правильных. Укажите их номера.
1) Изображение предмета будет уменьшенным.
2) Расстояние от точки B до линзы больше, чем расстояние от линзы до изображения точки B.
3) Расстояние от точки A до линзы меньше расстояния от линзы до изображения точки A.
4) Расстояние от точки B до линзы на 2 клетки меньше, чем расстояние от линзы до изображения точки B.
5) Линия, соединяющая точки A и B, будет параллельна линии, соединяющей изображения точек A и B.
Ответ:
При испытании авиационного двигателя было установлено, что при его работе громкость в 2 раза превышает максимально допустимую для работы обслуживающего персонала. Для решения этой проблемы было предложено установить звукоизоляцию, которая снижает интенсивность звука двигателя в 15 раз. Будет ли этого достаточно? Ответ поясните.
На следующей странице вам будет предложено проверить их самостоятельно.
по материалам Камзеевой Е. Е.)
Используя источник тока (4,5 В), вольтметр, амперметр, ключ, реостат, соединительные провода, резистор, обозначенный R2, соберите экспериментальную установку для определения работы электрического тока в резисторе. При помощи реостата установите в цепи силу тока 0,5 А. Определите работу электрического тока в резисторе, совершенную в течение 5 минут.
В ответе:
1. нарисуйте электрическую схему цепи для эксперимента;
2. запишите формулу для расчета работы электрического тока;
3. укажите результаты измерения напряжения при силе тока 0,5 А;
4. запишите численное значение работы электрического тока.
Характеристика оборудования
При выполнении задания используется комплект оборудования в составе:
· источник тока (4,5 В);
· резистор, обозначенный R2;
· реостат;
· амперметр (С = 0,1 А);
· вольтметр (С = 0,2 В);
· ключ и соединительные провода.
На следующей странице вам будет предложено проверить их самостоятельно.
К незаряженному шарику электрометра подносят металлическую заряженную палочку, в результате чего стрелка электрометра отклоняется. Произойдет ли еще более заметное отклонение стрелки электрометра, если коснуться этой палочкой шарика электрометра? Ответ поясните.
На следующей странице вам будет предложено проверить их самостоятельно.
Мощность двигателя подъемного крана 12 кВт. С какой скоростью этот кран будет равномерно поднимать груз массой 2,16 тонны, если коэффициент полезного действия двигателя крана 45%?
На следующей странице вам будет предложено проверить их самостоятельно.
В калориметре смешивают две жидкости. Объем первой жидкости в полтора раза меньше объема второй; плотность второй жидкости в 1,25 раза меньше плотности первой; удельная теплоемкость второй жидкости составляет 2/3 удельной теплоемкости первой, а температура первой жидкости, равная 25 °C, в 2,8 раза меньше, чем температура второй. Определите установившуюся температуру смеси. Потерями теплоты можно пренебречь.
На следующей странице вам будет предложено проверить их самостоятельно.

