по материалам Камзеевой Е. Е.)
Используя источник тока (4,5 В), вольтметр, амперметр, ключ, реостат, соединительные провода, резистор, обозначенный R2, соберите экспериментальную установку для определения работы электрического тока в резисторе. При помощи реостата установите в цепи силу тока 0,5 А. Определите работу электрического тока в резисторе, совершенную в течение 5 минут.
В ответе:
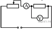
1. нарисуйте электрическую схему цепи для эксперимента;
2. запишите формулу для расчета работы электрического тока;
3. укажите результаты измерения напряжения при силе тока 0,5 А;
4. запишите численное значение работы электрического тока.
Характеристика оборудования
При выполнении задания используется комплект оборудования в составе:
· источник тока (4,5 В);
· резистор, обозначенный R2;
· реостат;
· амперметр (С = 0,1 А);
· вольтметр (С = 0,2 В);
· ключ и соединительные провода.
1. Схема экспериментальной установки:
2. А = U · I · t;
3. I = 0,5 А; U = 3,0 В; t = 5 мин = 300 с;
4. А = 450 Дж.



