При выполнении заданий с кратким ответом впишите в поле для ответа цифру, которая соответствует номеру правильного ответа, или число, слово, последовательность букв (слов) или цифр. Ответ следует записывать без пробелов и каких-либо дополнительных символов. Дробную часть отделяйте от целой десятичной запятой. Единицы измерений писать не нужно.
Если вариант задан учителем, вы можете вписать или загрузить в систему ответы к заданиям с развернутым ответом. Учитель увидит результаты выполнения заданий с кратким ответом и сможет оценить загруженные ответы к заданиям с развернутым ответом. Выставленные учителем баллы отобразятся в вашей статистике.
Версия для печати и копирования в MS Word
Маленькая изначально покоившаяся шайба соскальзывает вдоль гладкой наклонной плоскости под действием силы тяжести. На каком графике правильно показана зависимость модуля скорости υ шайбы от времени t в процессе ее движения?
1) 1
2) 2
3) 3
4) 4
Ответ:
Человек массой 70 кг стоит на напольных пружинных весах в лифте. Лифт начинает двигаться с ускорением 0,5 м/с2, направленным вверх. В этот момент весы покажут массу
1) 70 кг
2) больше 70 кг
3) меньше 70 кг
4) 0
Ответ:
Тело движется в положительном направлении оси ОX. В таблице представлена зависимость проекции действующей на тело силы Fx от времени t.
| t, с | 0 | 1 | 2 | 3 | 4 | 5 | 6 | 7 | 8 |
| Fx, Н | 3 | 3 | 3 | 3 | 3 | 0 | 0 | 0 | 0 |
В интервале времени от 0 c до 4 с проекция импульса тела на ось OX
1) не изменяется
2) увеличивается на 4 кг·м/c
3) увеличивается на 12 кг·м/c
4) уменьшается на 3 кг·м/c
Ответ:
Два тела, расположенные высоко над землей на одной вертикали на расстоянии 2 м друг от друга, начинают одновременно свободно падать вниз без начальной скорости (см. рис.).
Как будет изменяться расстояние между телами во время их падения?
Считать, что ни одно тело еще не упало на землю. Сопротивление воздуха пренебрежимо мало.
1) расстояние между телами будет увеличиваться
2) расстояние между телами будет уменьшаться
3) расстояние между телами не будет изменяться
4) расстояние между телами будет сначала уменьшаться, а затем не будет изменяться
Ответ:
Три сплошных шарика одинакового объема — 1, 2 и 3 — поместили в сосуд с водой, в котором они расположились так, как показано на рисунке. Известно, что один из шариков сделан из сосны, второй — из парафина, третий — из меди. Из какого материала сделан каждый шарик?
1) 1 — сосна, 2 — парафин, 3 — медь
2) 1 — медь, 2 — парафин, 3 — сосна
3) 1 — сосна, 2 — медь, 3 — парафин
4) 1 — парафин, 2 — медь, 3 — сосна
Ответ:
Через неподвижный легкий блок перекинута невесомая нерастяжимая нить, к концам которой подвешены два груза массами m1 = 1 кг и m2 = 3 кг (см. рис.).
Пренебрегая трением, найдите силу натяжения нити при движении грузов.
1) 5 Н
2) 15 Н
3) 20 Н
4) 50 Н
Ответ:
Из холодильника вынули закрытую крышкой кастрюлю с водой, имеющую температуру +5 °C. Чтобы подогреть воду, кастрюлю с водой можно:
А. поставить на газовую горелку;
Б. освещать сверху мощной электрической лампой.
В каких из вышеперечисленных случаев вода в кастрюле нагревается в основном путем конвекции?
1) только А
2) только Б
3) и А, и Б
4) ни А, ни Б
Ответ:
На рисунке представлены графики 1, 2 и 3 зависимостей температуры t трех медных образцов от количества сообщенной им теплоты Q. Известно, что массы образцов равны 100 г, 200 г, 300 г, соответственно. Укажите, какая масса образца соответствует каждому графику.
1) 1 — 300 г 2 — 200 г 3 — 100 г
2) 1 — 100 г 2 — 200 г 3 — 300 г
3) 1 — 200 г 2 — 100 г 3 — 300 г
4) 1 — 100 г 2 — 300 г 3 — 200 г
Ответ:
Сколько граммов спирта нужно сжечь в спиртовке, чтобы нагреть на ней воду массой 580 г на 80 °C? КПД спиртовки (с учетом потерь теплоты) равен 20%. (Удельная теплота сгорания спирта 2,9·107Дж/кг, удельная теплоемкость воды 4200 Дж/(кг·°С)).
1) 2,2 г
2) 33,6 г
3) 580 г
4) 1,344 г
Ответ:
Заряженную положительным зарядом палочку подносят к незаряженному электрометру. Когда палочка находится вблизи шарика электрометра, но не касается его, наблюдают отклонение стрелки электрометра. Укажите номер рисунка, на котором правильно указано распределение заряда в электрометре.
1) 1
2) 2
3) 3
4) 4
Ответ:
На рисунке приведены схемы трех электрических цепей. В каких из них лампочка не горит? Электрические ключи везде разомкнуты.
1) только А
2) только Б
3) А и В
4) Б и В
Ответ:
К сплошному алюминиевому кольцу, подвешенному на шелковой нити, подносят с постоянной скоростью полосовой магнит (см. рис.). Что будет происходить с кольцом в это время?
1) кольцо останется в покое
2) кольцо будет притягиваться к магниту
3) кольцо будет отталкиваться от магнита
4) кольцо начнет поворачиваться вокруг нити
Ответ:
На рисунке показаны собирающая линза, ее главная оптическая ось О1О2, ход луча АА1А2 (до и после линзы), а также прямая СС1, проходящая через оптический центр линзы. В какой из обозначенных на рисунке точек находится фокус линзы?
1) в точке 0
2) в точке 1
3) в точке 2
4) ни в одной из указанных точек
Ответ:
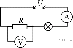
Какая мощность выделяется в лампочке в цепи, схема которой приведена на рисунке, если амперметр показывает силу тока 0,05 А, а вольтметр — напряжение 4 В. Известно, что цепь подключена к источнику постоянного напряжения U = 12 В. Измерительные приборы считать идеальными.
1) 0,01 Вт
2) 0,2 Вт
3) 0,4 Вт
4) 0,6 Вт
Ответ:
Э. Резерфорд, облучая ядра азота альфа-частицами, получил ядра кислорода
. Какая еще частица получалась в ходе этой ядерной реакции?
1) нейтрон
2) протон
3) электрон
4) альфа-частица
Ответ:
Школьник поставил на электрическую плитку сосуд с водой. В сосуд он опустил термометр. Затем школьник включил плитку и одновременно с ней — секундомер. По мере нагревания воды он заносил в тетрадь данные о времени и температуре воды. Данное действие школьника является
1) наблюдением
2) измерением
3) моделированием
4) моделированием и наблюдением
Ответ:
Какие механические волны могут распространяться в твердых телах?
1) только продольные
2) только поперечные
3) и продольные, и поперечные
4) никакие
Ответ:
Два звука представляют собой механические волны, имеющие одинаковые амплитуды, но разные частоты. Эти звуки обязательно имеют одинаковую
1) интенсивность
2) громкость
3) высоту тона
4) интенсивность и высоту тона
Ответ:
Точечное тело массой 2 кг движется по инерции вдоль оси OX по гладкой горизонтальной поверхности со скоростью 10 м/с. В некоторый момент времени на тело начинает действовать постоянная сила, модуль которой равен 10 Н, а ее направление противоположно направлению скорости тела в этот момент. Определите значения соответствующих величин в СИ, характеризующих движение этого тела.
К каждому элементу первого столбца подберите соответствующий элемент из второго и внесите в строку ответов выбранные цифры под соответствующими буквами.
А) перемещение тела за первые 4 секунды движения тела с момента начала действия силы
Б) изменение импульса тела за первые 2 секунды действия силы
В) значение кинетической энергии тела через 4 секунды после начала действия силы
ВЕЛИЧИНЫ В СИ
1) 20
2) –20
3) –100
4) 100
5) 0
Запишите в ответ цифры, расположив их в порядке, соответствующем буквам:
| А | Б | В |
Ответ:
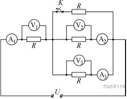
Электрическая цепь состоит из источника постоянного напряжения, четырех резисторов, сопротивлением R каждый, ключа K , вольтметров V1, V2, V3 и амперметров A1, A2, A3 (см. рис.).
Определите, как изменятся следующие физические величины: показание амперметра A1, показание вольтметра V2, показание амперметра A3, если разомкнуть ключ K.
Для каждой величины определите соответствующий характер изменения: Запишите в таблицу выбранные цифры для каждой физической величины под соответствующими буквами. Цифры в ответе могут повторяться.
1) увеличится
2) уменьшится
3) не изменится
А) показание амперметра A1
Б) показание вольтметра V2
В) показание амперметра A3
1) увеличится
2) уменьшится
3) не изменится
| A | Б | В |
Ответ:
В калориметре находится 5 кг льда при температуре –20 °C. Затем в калориметр наливают 0,5 кг воды, температура которой равна +10 °C. Теплообменом с окружающей средой можно пренебречь.
Выберите из предложенного перечня два верных утверждения. Укажите их номера. (Удельная теплоемкость льда 2100 Дж/(кг·°C), удельная теплоемкость воды 4200 Дж/(кг·°C), удельная теплота плавления льда 3,3·105 Дж/кг).
1) В состоянии теплового равновесия все вещество в калориметре будет находиться в жидком состоянии.
2) При достижении теплового равновесия температура воды уменьшится на 5 °C.
3) В состоянии теплового равновесия все вещество в калориметре будет находиться в твердом состоянии.
4) При достижении теплового равновесия в калориметре будет смесь воды со льдом.
5) В состоянии теплового равновесия температуры изначально твердого и изначально жидкого веществ сравняются.
Ответ:
С помощью тонкой собирающей линзы ученик хочет получить изображение предмета AB, расположив его относительно линзы так, как показано на рисунке.
Из предложенного перечня утверждений выберите два правильных. Укажите их номера.
1) Изображение предмета будет увеличенным.
2) Расстояние от точки B до линзы больше, чем расстояние от линзы до изображения точки B.
3) Расстояние от точки A до линзы равно расстоянию от линзы до изображения точки A.
4) Расстояние от точки A до изображения точки A на 1 клетку больше, чем расстояние от точки B до изображения точки B.
5) Линия, соединяющая точки A и B, будет параллельна линии, соединяющей изображения точек A и B.
Ответ:
Громкость звука, при которой человеческое ухо начинает испытывать болезненные ощущения, называется болевым порогом. Некоторая звуковая волна имеет интенсивность, соответствующую половине болевого порога. Будет ли превышен болевой порог, если интенсивность этой звуковой волны увеличится в 5 раз? Ответ поясните.
На следующей странице вам будет предложено проверить их самостоятельно.
(по материалам Камзеевой Е. Е.)
Используя источник тока (4,5 В), вольтметр, амперметр, ключ, реостат, соединительные провода, резистор, обозначенный R1, соберите экспериментальную установку для определения электрического сопротивления резистора. При помощи реостата установите в цепи силу тока 0,2 А.
В бланке ответов:
1. нарисуйте электрическую схему цепи для эксперимента;
2. запишите формулу для расчета электрического сопротивления;
3. укажите результаты измерения напряжения на резисторе при силе тока 0,2 А;
4. запишите численное значение электрического сопротивления.
Характеристика оборудования
При выполнении задания используется комплект оборудования в составе:
· источник тока (4,5 В);
· резистор, обозначенный R1;
· реостат;
· амперметр (C = 0,1А);
· вольтметр (C = 0,2 В);
· ключ и соединительные провода.
На следующей странице вам будет предложено проверить их самостоятельно.
К незаряженному шарику электрометра подносят диэлектрическую (эбонитовую) заряженную палочку, в результате чего стрелка электрометра отклоняется. Произойдет ли еще более заметное отклонение стрелки электрометра, если этой палочкой коснуться шарика электрометра? Ответ поясните.
На следующей странице вам будет предложено проверить их самостоятельно.
Подъемный кран равномерно поднимает груз массой 2,5 тонны со скоростью 0,2 м/с. Определите мощность двигателя крана, если известно, что его коэффициент полезного действия 40%.
На следующей странице вам будет предложено проверить их самостоятельно.
В калориметре смешивают две жидкости. Объем второй жидкости в 1,2 раза больше объема первой; плотность первой жидкости в 1,6 раза больше плотности второй; удельная теплоемкость первой жидкости в 2 раза меньше, чем удельная теплоемкость второй, а температура первой жидкости, равная 20 °C, в 2 раза больше, чем температура второй. Определите установившуюся температуру смеси. Потерями теплоты можно пренебречь.
На следующей странице вам будет предложено проверить их самостоятельно.

