Задания
Версия для печати и копирования в MS WordИспользуя источник тока, вольтметр, амперметр, ключ, реостат, соединительные провода, резистор, обозначенный R1, соберите экспериментальную установку для определения работы электрического тока на резисторе. При помощи реостата установите в цепи силу тока 0,3 А. Определите работу электрического тока за 10 минут.
В ответе:
1) нарисуйте электрическую схему эксперимента;
2) запишите формулу для расчета работы электрического тока;
3) укажите результаты измерения напряжения при силе тока 0,3 А;
4) запишите значение работы электрического тока.
Решение.
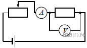
Спрятать критерии1. Схема экспериментальной установки:
2.
3.
4.



