Используя источник тока, вольтметр, амперметр, ключ, реостат, соединительные провода, резистор, обозначенный R1, соберите экспериментальную установку для определения работы электрического тока на резисторе. При помощи реостата установите в цепи силу тока 0,3 А. Определите работу электрического тока за 10 минут.
1. нарисуйте электрическую схему эксперимента;
2. запишите формулу для расчета работы электрического тока;
3. укажите результаты измерения напряжения при силе тока 0,3 А;
4. запишите значение работы электрического тока.
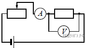
1. Схема экспериментальной установки:
2. А = U·I·t.
3. I = 0,3 А; U = 3,6 В; t = 10 мин = 600 с.
4. А = 648 Дж.



