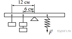
Используя рычаг, три груза, штатив и динамометр, соберите установку для исследования равновесия рычага. Три груза подвесьте слева от оси вращения рычага следующим образом: два груза на расстоянии6 см и один груз на расстоянии 12 см от оси. Определите момент силы, которую необходимо приложить к правому концу рычага на расстоянии6 см от оси вращения рычага для того, чтобы он оставался в равновесии в горизонтальном положении.
 
В ответe:
1) зарисуйте схему экспериментальной установки;
2) запишите формулу для расчета момента силы;
3) укажите результаты измерений приложенной силы и длины плеча;
4) запишите числовое значение момента силы.
1. Схема экспериментальной установки:
2.
3.
4.
Примечание.
Погрешности прямых измерений:



