Задания
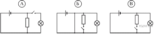
Версия для печати и копирования в MS WordНа рисунке приведены схемы трех электрических цепей. В каких из них лампочка горит? Электрические ключи везде разомкнуты.
1) только А
2) только Б
3) только В
4) Б и В
Решение.
Рассмотрим каждую цепь. В цепи А лампочка не попадает в замкнутый контур с источником тока, поэтому она не горит. В цепи Б лампочка также попадает в замкнутый контур с источником тока, но в контуре также имеется провод, его сопротивление близко к нулю, поэтому почти весь ток будет идти через него и лампочка не загорится. В цепи В лампочка попадает в замкнутый контур с источником тока, поэтому она будет гореть.
Правильный ответ указан под номером 3.
Раздел кодификатора ФИПИ: 3.7 Закон Ома. Соединение проводников.




Б. Если ток пойдет только через провод, то это будет короткое замыкание.
Именно, в схеме Б короткое замыкание.